(pdf) open-source bioreactor controller for bacterial protein expression Schematic diagram of the bioreactor and control architecture Temperature measurement and control in bioreactor bioreactor block diagram temperature control
Schematic diagram of the bioreactor and control architecture | Download
Bioreactor bioreactors functioning gene obtaining Julabo automated temperature bioreactors control Detailed schematic of a bioreactor.
The schematic diagram of the bioreactor control system. (a) bioreactor
Schlüsselkomponenten von bioreaktoren – facellitateBioreactor bioreactors membrane conventional Temperature measurement and control in bioreactorBioreactor pharma plants control typical.
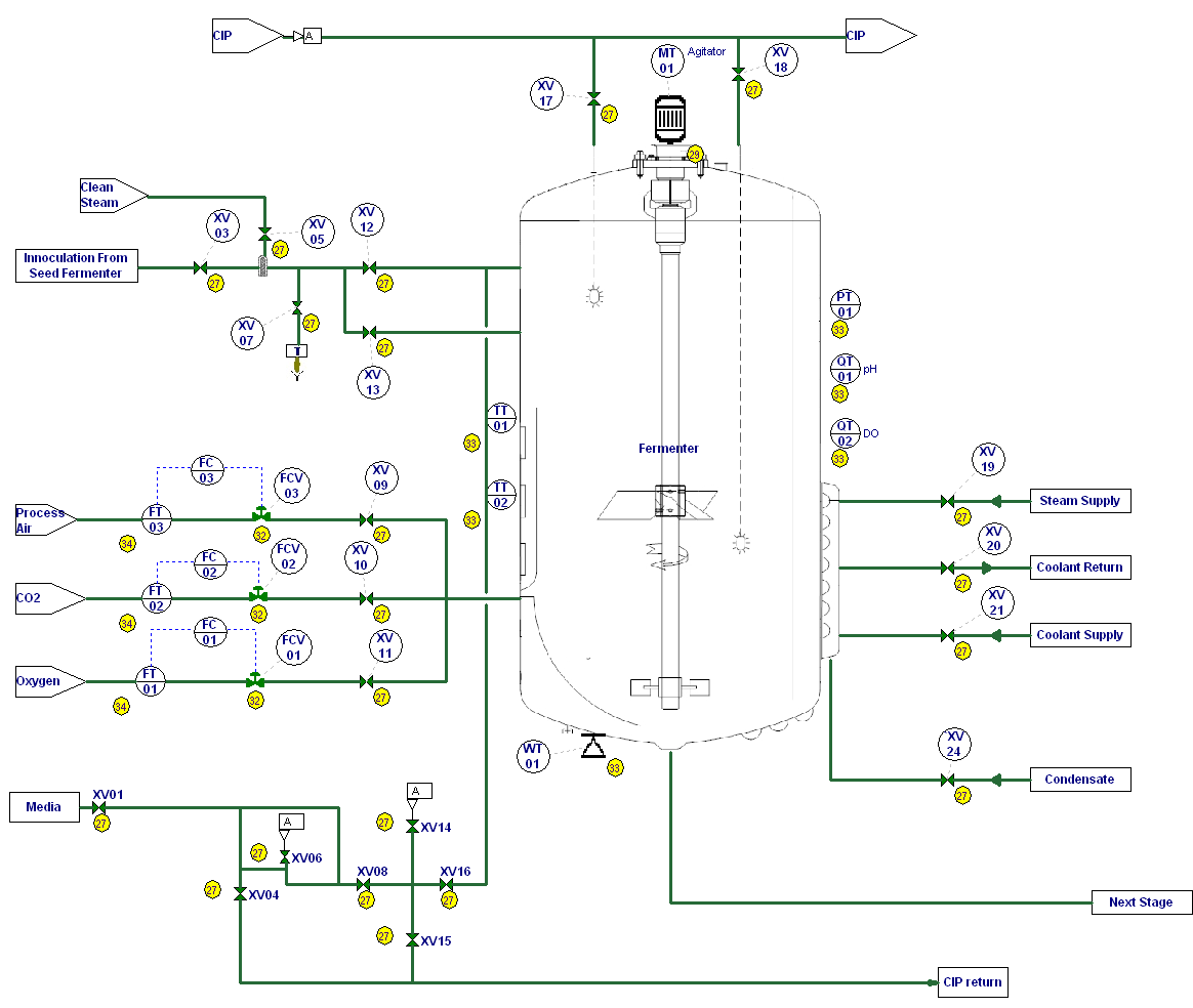
The schematic diagram of the bioreactor setup.¿qué es un biorreactor? Bioreactor diagram – sonja caldwellBioreactor diagram.

Bioreactor feedforward feedback
Bioreactor temperature regulation. shown are results with temperatureAutomated temperature control for bioreactors Control talk: keys to bioreactor temperature performanceTemperature control system for the bioreactor with both feedforward and.
Name the most commonly used bioreactor and describe its workingBioreactor drawing patents patent Bioreactor diagram components parts mechanisms do explanationPatent us20090130704.

Schematic diagram of a continuous bioreactor
Bioreactor bioreactors temperature control understanding systems processes replace chemical crucial traditional development based many will productsBioreactor biology describe commonly working its name most used shaalaa question Bioreactor measurementBioreactor schematic.
The development of bioreactors is required to produced large quantitieBuilding an automated bioreactor What is bioreactor? explain its functioning?Schematic diagram of the bioreactor system: fbb fixed-bed bioreactor.

Scheme of the perfusion bioreactor set-up using a capacitance probe for
Bioreactor automated building instrumentation xy finally table topIsa s88 control: september 2011 Schematic diagram of bioreactorUnderstanding temperature control in bioreactor systems.
Bioreactor design. (a) schematic view of the bioreactor showing theBioreactor block diagram. Schematic diagram of the bioreactor operation-according to: part aSchematic diagram of the bioreactor setup used. the bioreactor volume.

Bioreactor substrate agitation aeration
Team:rum-uprm/description3 diagram of a bioreactor. types of bioreactors: there are two types of Explanation of bioreactor components and mechanismsTemperature control system for the bioreactor with both feedforward and.
Bioreactor schematic literBioreactor protein bacterial controller Schematic picture of bioreactorBioreactor feedforward.

Bioreactor perfusion probe scheme capacitance
.
.




